Wandering Logic

Enclosure choices

Most pedals use Hammond 1590 style enclosures. The most common sizes are 1590B and "125B". This post is mainly just to summarize datasheets.

Hammond

Here are the Hammond sizes with links to the datasheets. All can be gotten in bare or black. The 1590A, G2, B, and BB are in their "stomp" series, so also available in cobalt, green, gray, orange, purple, red and yellow. Hammond doesn't sell direct, you can get these through distributors like Mouser or Digikey. The 1590G2 is not something I've seen elsewhere and is a really useful size, about half way between a 1590a and a 1590b. The 1590G2 is what Kai Tachibana uses for his compact pedals.

[ETA: Dec 16th, and today I learned there are 1550B and 1550D that are about as wide as a 1590N1, but more similar in length to a 1590B. The Wampler Triumph overdrive might be using a 1550D milled down to 37mm height?)]

model length width height
1590LB 51.0 51.0 31.0
1590A 93.0 39.0 31.0
1590G2 100.0 50.0 31.0
1590B 112.0 61.0 31.0
1590B2 112.0 61.0 38.0
1550B 115.0 64.0 30.0
1550D 115.0 64.0 55.0
1590N1 ("125B") 121.0 66.0 40.0
1590BB 120.0 94.0 34.0
1590BX2 254.0 70.0 35.0

Love My Switches

Love My Switches has clones of some of the Hammond enclosures. Their "CNC Pro" are bare aluminum with slightly thinner cases. The regular ones are usually available in black, white, red, and blue.

model length width height
1590LB 50.5 50.5 31.0
1590A 92.5 38.5 31.0
1590A (CNC Pro) 93.6 38.5 32.0
1590B 112.0 61.0 31.0
1590B (CNC Pro) 111.9 60.9 31.6
125B 121.0 66.0 39.0
125B (CNC Pro) 122.0 66.98 39.64
1590BB 119.5 94.0 34.0
1590BB (CNC Pro) 119.5 94.0 34.0

Stomp Box Parts

Another big manufacturer in the early 2000s was apparently Mammoth electronics. Mammoth went under in 2019 and sold their remaining inventory to StompBoxParts.com. I don't know if these are the same designs as the Mammoth enclosures, but they are a little bit less rounded/sharper edged than the LoveMySwitches enclosures.

model length width height
1590LB 50.5 50.5 31.0
1590A 93.0 39.0 31.5
1590B 112.2 60.7 31.1
125B 121.3 66.0 39.2
1590BB 119.1 93.6 34.0

Bud Industries

Bud Industries has a CU-123 that's the size of a 1590A and a CU-124 that's the size of a 1590B. In their nomenclature, black boxes have a "-B" suffix and gray boxes have a "-G" suffix. (bare aluminum has no suffix). They also still have CU-471 that's about the size of a 1590BB and CU-470 that's about the size of a 1590LB. Bud, like Hammond sells through the big electronics distributors like Mouser and Digikey.

Tayda

Tayda has their own line and also do small batch printing and drilling. [TODO: make a table of sizes and pointers to datasheets]

About the "125B" name

There are several threads on the internet that suggest that the name "125B" comes from Bud Industries. Bud sells a CU-123 that's similar to 1590A and CU-124 that's similar to 1590B, so it's reasonable to assume that they might have once had a CU-125 that's similar to 1590N1. (In Bud Industries naming scheme the suffix "-B" or "-G" refers to the color.)

But user jessenator on PedalPCB gives the following history:

Circuit Specialists (under a different name) back in 1997 commissioned a Korean (or was it Taiwanese ?) company to clone it, sans ribs iirc, as the 03-125B. Which later became cloned and more popularly known as 4S125B made by 4site (not sure if they cloned the 03- model or cloned direct from Hammond) and sold at other places including mammoth electronics (who bought 4site it seems). Then it just got cloned again and shortened to 125B over the years, furthering the cloning of a clone, etc.

Case grounding

For jacks, most manufacturers these days use chrome ferrule PCB mounted Neutrik NMJ4HCD2 (Mono-switched) or NMJ6HCD2 (stereo-switched). The reason these are so widely used is that the ferrule screws in from the outside, so the fully assembled circuit board just drops into the case.

Photo of unlidded Wampler Triumph.  A Neutrik NMJ6HCD2 jack sits inside the case and the ferrule threads into the jack through the whole in the side of the case.

But we also want the case grounded to avoid static charge buildup, and that jack washer is plastic, thus insulating. And of course we are using center-negative power, so the power jacks are also not grounding the case. What to do?

MXR just replaces the nice looking washer with a lock washer on both input and output and calls it a day:

Photo of an MXR Fat Sugar with the jack ferrule removed.  MXR uses lock washers under the ferrule instead of an insulating washer.  The lock washer scrapes through the powder coat making a connection from the case aluminum to the metal ferrule.

Keeley uses Harwin SMT Multi-dimensional Spring Contacts:

Photo of the Harwin S1941-46R multi-dimensional spring contact on the side of a Keeley Mini Katana circuit board.

I believe that's a S1941-46R, surface mount, 7.3mm tall with 1mm deflection. Most of Harwin's spring contacts are vertical only, the S19x1-46R series is the only horizontal contact I can find.

I also found a Reddit thread that recommends pogo pins for vertical contact.

The other option I've found for horizontal contact is Keystone battery clips. Wampler uses what I believe is a Keystone 1021-1:

Photo of the side of the Wampler Triumph circuit board showing the Keystone 1021-1 battery clip Wampler uses.  The spring part of the clip extends past the edge of the board.

Catalinbread is using the Keystone 629 battery contact, I think:

Photo of the side of a Catalinbread Formula 51 circuit board showing the spring of the Keystone 629 battery contact protruding pas the edge of the board.

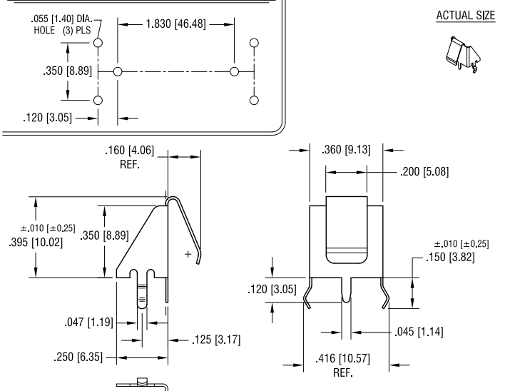
One I found that looks particularly appealing is Keystone 591:

Data sheet for the Keystone 591 battery clip.  The clip needs three 1.4mm diameter holes placed in an equilateral triangle the base of which is 8.89mm wide and then the third vertex is 3.05mm above the base.